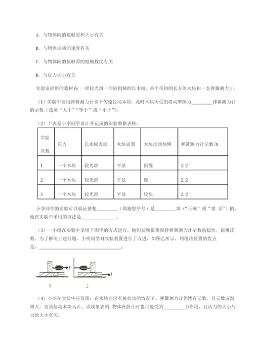
强化训练新疆喀什区第二中学物理八年级下册期末考试定向训练试题(详解).docx
会员专享
强化训练新疆喀什区第二中学物理八年级下册期末考试定向训练试题(详解).docx
会员专享
版权声明
版权声明本网站所提供的任何信息内容(包括但不限于PPT模板、Word文档、Excel图表、图片素材等)均受《中华人民共和国著作权法》、《信息网络传播权保护条例》及其他适用的法律法规的保护,未经权利人书面明确授权,信息内容的任何部分(包括图片或图表)不得被全部或部分的复制、传播、销售,否则将承担法律责任。
开通年会员即送6个月,再送5万字论文查重!
页数:10
大小:0.6M
比例:A4
日期:2024-11-01
编号:WordContent-1777708
格式:docx
豆柴文库
81.4W 作品0 人气
