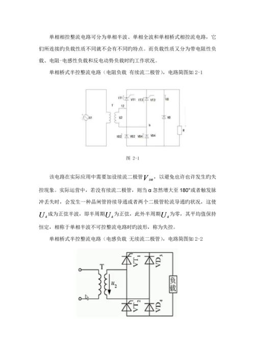
单相桥式半控整流电路优质课程设计.docx
会员专享
单相桥式半控整流电路优质课程设计.docx
会员专享
版权声明
版权声明本网站所提供的任何信息内容(包括但不限于PPT模板、Word文档、Excel图表、图片素材等)均受《中华人民共和国著作权法》、《信息网络传播权保护条例》及其他适用的法律法规的保护,未经权利人书面明确授权,信息内容的任何部分(包括图片或图表)不得被全部或部分的复制、传播、销售,否则将承担法律责任。
开通年会员即送6个月,再送5万字论文查重!
页数:10
大小:2.2M
比例:A4
日期:2024-11-01
编号:WordContent-1873074
格式:docx
豆柴文库
81.4W 作品0 人气
